Electromagnetic Induction And Alternating Current Ques 26
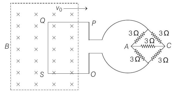
- A square metal wire loop of side $10 cm$ and resistance $1 \Omega$ is moved with a constant velocity $v _0$ in a uniform magnetic field of induction $B=2 Wb / m^{2}$ as shown in the figure. The magnetic field lines are perpendicular to the plane of the loop (directed into the paper). The loop is connected to a network of resistors each of value $3 \Omega$.

What should be the speed of the loop so as to have a steady current of $1 mA$ in the loop? Give the direction of current in the loop.
$(1983,6$ M)
Show Answer
Answer:
Correct Answer: 26.$0.02 m / s$, direction of induced current is clockwise
Solution:
- Given network forms a balanced Wheatstone’s bridge. The net resistance of the circuit is therefore $3 \Omega+1 \Omega=4 \Omega$. Emf of the circuit is $B v _0 l$. Therefore, current in the circuit would be
$$ \begin{aligned} i & =\frac{B v _0 l}{R} \text { or } \quad v _0=\frac{i R}{B l} \\ & =\frac{\left(1 \times 10^{-3}\right)(4)}{2 \times 0.1}=0.02 m / s \end{aligned} $$
Cross magnetic field passing through the loop is decreasing. Therefore, induced current will produce magnetic field in cross direction. Or direction of induced current is clockwise.