Modern Physics Ques 220
- To get output ’ 1 ’ at $R$, for the given logic gate circuit, the input values must be
(Main 2019, 10 Jan I)

(a) $X=0, Y=0$
(b) $X=1, Y=0$
(c) $X=1, Y=1$
(d) $X=0, Y=1$
Show Answer
Answer:
Correct Answer: 220.(b)
Solution:
Formula:
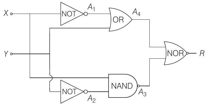
- The given circuit can be drawn as shown in the figure given below

Truth table for this given logic gate is
| Given in the options |
$\boldsymbol{A} _{\mathbf{1}}$ | $\boldsymbol{A} _{\mathbf{2}}$ | $\boldsymbol{A} _{\mathbf{3}}$ | $\boldsymbol{A} _{\mathbf{4}}$ | $\boldsymbol{R}$ | ||
|---|---|---|---|---|---|---|---|
| $X$ | $Y$ | ||||||
| 0 | 0 | 1 | 1 | 1 | 1 | 0 | |
| 1 | 0 | 0 | 1 | 0 | 0 | 1 | |
| 1 | 1 | 0 | 0 | 1 | 1 | 0 | |
| 0 | 1 | 1 | 0 | 1 | 1 | 0 |
So to get output $R=1$, inputs must be $X=1$ and $Y=0$.