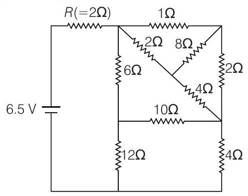
Current Electricity Ques 42
- In the following circuit, the current through the resistor $R(=2 \Omega)$ is $I$ amperes. The value of $I$ is
(2015 Adv.)

Show Answer
Answer:
Correct Answer: 42.$(1)$
Solution:

(2015 Adv.)

Correct Answer: 42.$(1)$
Solution:

Welcome to SATHEE !
Select from 'Menu' to explore our services, or ask SATHEE to get started. Let's embark on this
journey of growth together! 🌐📚🚀🎓
I'm relatively new and can sometimes make mistakes.
If you notice
any error, such as an incorrect solution, please use the thumbs down icon to aid my learning.
To begin your journey now, click on
Please select your preferred language
कृपया अपनी पसंदीदा भाषा चुनें