Laws Of Motion Ques 36
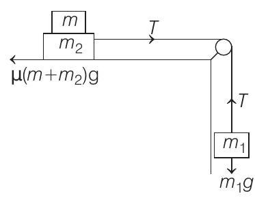
- Two masses $m _1=5 kg$ and $m _2=10 kg$ connected by an inextensible string over a frictionless pulley, are moving as shown in the figure. The coefficient of friction of horizontal surface is 0.15 . The minimum weight $m$ that should be put
on top of $m _2$ to stop the motion is
(2018 Main)
(a) $23.33 kg$
(b) $18.3 kg$
(c) $27.3 kg$
(d) $43.3 kg$
Show Answer
Answer:
Correct Answer: 36.(a)
Solution:
Formula:
- None of the four options are correct.

Substituting, $\quad m _1=5 kg$ and $m _2=10 kg$
We get, $\mu(10+m) g \geq 5 g \quad \Rightarrow \quad 10+m \geq \frac{5}{0.15}$
$$ m \geq 23.33 kg $$